石楼县kaiyun吊装带批发价供应,我公司产品质量好,品种、类型齐全,欢迎各界人士前来选购,订购电话:0311-66697169

石楼县kaiyun吊装带现货供应
石楼县kaiyun吊装带哪里有卖
石楼县kaiyun吊装带价格是多少
产品适用于各种汽车起重机,可根据用户要求特殊设计。
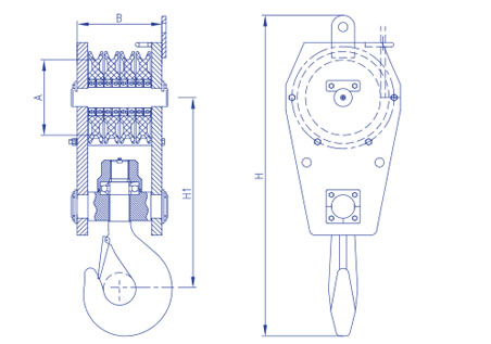
产品参数

| 产品型号 | 名称 | 钢丝绳直径 (mm) | 额定载荷 (t) | A (mm) | B (mm) | C (mm) | 自重 (kg) |
| HCX3-16t | 16t 吊钩总成 | Φ13-Φ14 | 16 | 280 | 268 | 692.5 | 1144.5 |
| HCX4-20t | 20t 吊钩总成 | Φ13-Φ14 | 20 | 280 | 325 | 702.5 | 1179.5 |
| HCX4-25t | 25t 吊钩总成 | Φ16 | 25 | 290 | 343 | 732.5 | 1232.5 |
| HCX6-55t | 55t 吊钩总成 | Φ18 | 55 | 350 | 427 | 940 | 1537 |
| HCX6-75t | 75t 吊钩总成 | Φ20 | 75 | 360 | 518 | 1015 | 1655 |